當前位置:首頁 > 電控手柄
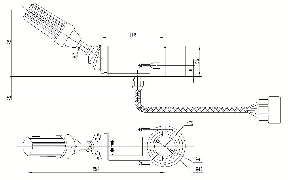
用于工程車輛檔位選擇器
采用非接觸霍爾元件輸出
檔位最多可做前四后四加KD檔
檔位輸出信號采用高低電平邏輯組合
工作電壓:12V±0.5,工作電流:2mA~6mA;
工作溫度:-40℃~85℃,防護等級:IP=54;
手柄操縱力:F=10~15N;
使用壽命達到500萬次以上;
通過手柄桿受力旋轉從而帶動磁體轉動產生變化的磁場,芯片感應到磁場的變化后將輸出電壓信號傳輸到控制器從而達到改變檔位的功能。本產品采用了非接觸式霍爾芯片作為控制單元,輸出曲線可隨意調整,整控制單元具有反向電源極性保護功能且反向電壓最大可承受10分鐘,且做傳感器采用獨立雙霍爾傳感器,三檔位控制輸出且可定位自鎖;使用壽命可達到100萬次以上。
